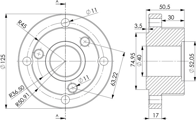
Фланец для коробки отбора мощности UNI (3 болти) під монтаж на чотири болти 70х70


Застосовується для з'єднання валов коробок отбора мощности, карданов и насосов.
Характеристики
| Основні атрибути | |
|---|---|
| Країна виробник | Туреччина |
| Стан | Новий |
| Гарантійний термін | 12 міс |
| Виробник | Uni |
| Вага (кг) | 2,4 |
Інформація для замовлення
- Ціна: 2 050 ₴



